자동화 슬롯 다이 코터
| - 코팅 갭 자동 조절 장치 | |
|---|---|
| - 슬롯 다이 헤드 기울기 조절 장치 | |
| - 자동 코팅 시작 기능 | |
| - 코팅 defects 검출 기능 (Neck-in, Streaks) | |
| - 슬롯 다이 헤드 자동 cleaning 장치 | |
| - 고가 용액 recycling 장치 |
본문
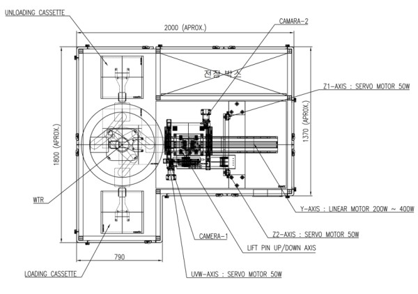
Full Auto Slot-Die Coating system |
[구성품] 1. Cassette 2. Wafer transfer robot (WTR) - v/c or gripper 3. UVW stage 4. Vision alignment 5. Lift pin up/down 6. Table slot-die coater - Automatic coating gap control - Automatic coating start function - Coating defect detection function |

